Váhy-Pokladny-HARON Průmyslové váhy, obchodní váhy, vážící systémy, registrační pokladny, nářezové stroje, prodej, servis.

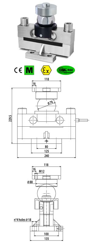
Střihové snímače - Shear beam loadcells, jsou vhodné pro instalaci do plošinových vah, nebo vážení zásobníků. Snímač je zatěžován na střih, vyrábějí se z nástrojové, nebo nerezové oceli v krytí IP65, IP68.

Snímače je možno objednat v provedení ATEX do výbušného prostředí.

Snímače sil - střihové


Dvojitý střihový snímač Dini Argeo RSBT             Dvojitý střihový snímač RSBT
  HLAVNÍ RYSY
Bod Třída přesnosti C3
Bod Materiál - poniklovaná ocel
Bod Krytí IP68
Bod Stíněný teflonový kabel
Bod Vysoká přesnost a linearita
Bod Na požádáni testovací certifikát
   
  TECHNICKÉ PARAMETRY
Bod Výstupní citlivost: 2mV/V
Bod Min.ověř.interval: Vmi= EMax/10.000
Bod Vliv teploty na nulu: 0.0014%FS/°C
Bod Vliv teploty na max.: 0.0017%FS/°C
Bod Pracovní teplota:  - 35°C / +65°C
Bod Kompenzovaný rozsah: - 10°C / +40°C
Bod Chyba tečení ( 30 minut ) < ± 0.016 %FS
Bod Napájecí napětí: 5 - 18VDC
Bod Vstupní impedance: 750 Ohm
Bod Výstupní impedance: 700 ± 7 Ohm
Bod Vyvážení nuly: > ± 1.5 %FS
Bod Izolační odpor: > 5000 MOhm
Bod Bezpečné přetížení: > 150 %FS
Bod Maximální přetížení: 300 %FS
Bod Výstupní kabel : 4 žilový, délka 15 m
   
  Katalogový list.pdf
   
   
   
   
   
   
   
   
   
   
   
   
   
   
 
Model Váživost Dílek Plošina Ověření Cena bez DPH Cena s DPH Zboží
RSBT25C325t--Ano6800,-8228,-
RSBT40C340t--Ano9600,-11616,-
  Příslušenství pro snímač RSBT
  Model     Popis   Cena bez DPH
  DGT1 Indikátor Dini Argeo DGT1   Multifunkční indikátor pro instalaci na DIN
  lištu, LED displej, membránová klávesnice,
  port RS232, RS458, analogový výstup
  4 - 20 mA, 2 vstupy, 2 výstupy, tisk vážního
  lístku.
 
4900,-
  DGT1S Indikátor DGT1S na DIN lištu   Multifunkční indikátor pro instalaci na DIN
  lištu, LED displej, membránová klávesnice,
  port RS232, RS458, analogový ýstup
  4 - 20 mA, 2 vstupy, 2 výstupy, tisk vážního
  lístku.
 
5400,-
  DFWL Indikátor Dini Argeo DFWL   Multifunkční indikátor, funkce počítání
  kusů, sčítání jednotlivých vážení,kontrola
  tolerance, port RS232, provedí: plast.
4900,-
  JB4Q Slučovací box Dini argeo JB4Q  Slučovací box pro max. 4 snímače,
 krytí: IP65.
1800,-
Tisk tisk stránky                                                                                                                                                                  

Váhy a vážící systémy jsou hlavní náplní naší firmy. V naší nabídce jsou obchodní váhy, průmyslové, nebo přesné a laboratorní váhy značky Dini Argeo, CAS, Kern, Radwag, TSCALE. Dále se zabýváme prodejem vážících komponent pro vážení zásobníků a sil. Na všechny výrobky zajišťujeme záruční i pozáruční servis. Pokud potřebujete jakékoliv informace k problematice vážení, kontaktujte nás. Rádi se Vám budeme věnovat.

Obrázek-nabídka vah

Výběr podle značky

Počítací váha, vhodná do skladů.

Cena bez DPH: 4800,-

Jeřábová váha, jasný LCD displej, dálkové ovládání.

Cena bez DPH: 13800,-

Vícefunkční Indikátor na DIN lištu.

Cena bez DPH: 4900,-

Můstková váha, 60kg/10g, 200kg/20g, úředně ověřená.

Cena bez DPH: 8000,-

Tlakový snímač, váživost: 10t, 15t, 30t.

Cena bez DPH: 13800,-

Přesná váha, 150g/0.002g, 300g/0.005, 600g/0.01g.

Cena bez DPH: 7400,-

 

Váhy-Pokladny-HARON, průmyslové váhy, laboratorní váhy, obchodní váhy, počítací váhy, přesné váhy, mostní váhy, jeřábové váhy,
paletové vozíky s váhou, mobilní váhy, pásové váhy, registrační pokladny QURION, SERD, EURO, pokladní systémy, dotykové pokladny, nářezové stroje, prodej, servis,
tel.fax: 545 227 462, tel. 608 821 370, e-mail:rumps@volny.cz

|Český metrologický institut|Kamerové systémy|